欢迎访问无锡市通洋机械科技有限公司网站
tongyang@ying-lift.com
400-893-8778 0510-81198778
通洋首页
关于我们
产品展示
油桶搬运设备
化工设备
堆高车设备
搬运车
升降平台
叉车属具
手推车
起重设备
仓储设备
新闻资讯
行业新闻
公司新闻
走进通洋
联系我们
通洋首页
产品展示
产品详情
产品详情
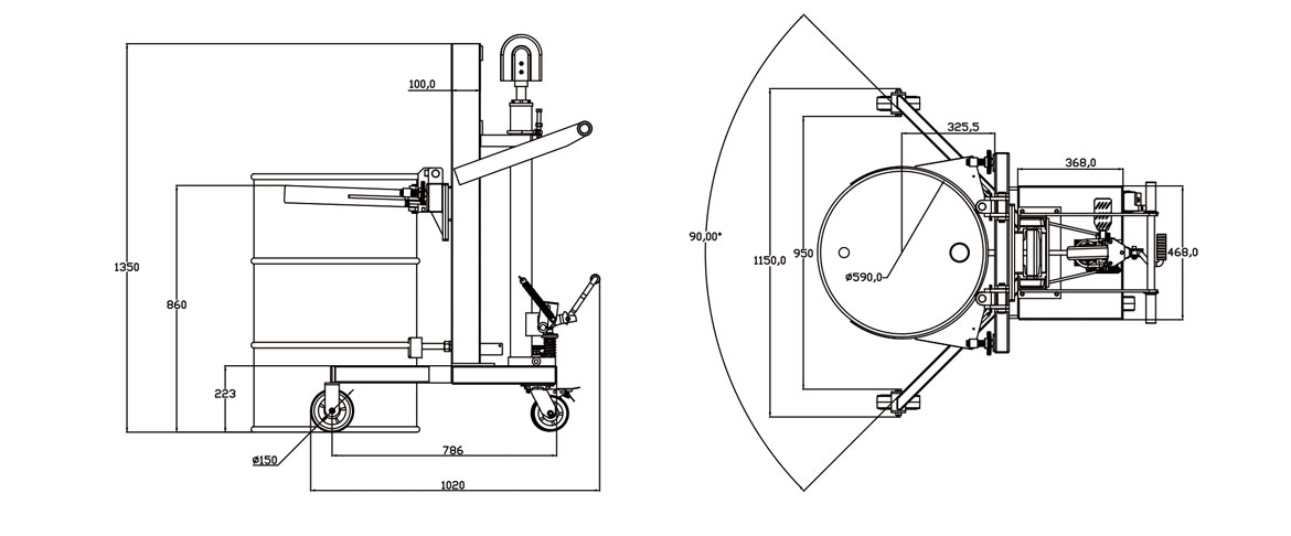
DTF350K液压油桶搬运车
产品描述
适合各种55加仑钢制桶和200L闭口塑料桶。
技术参数
型号
DTF350K
载重
kg
350
适用油桶
mm
55加仑钢制桶和200L闭口塑料桶
提升高度
mm
680
联系我们
图 文 详 情
通洋首页
关于我们
走进通洋
产品分类
咨询我们
tongyang@ying-lift.com
400-893-8778 0510-81198778
地址: 江苏省无锡市惠山区堰桥工业园堰盛路38号