欢迎访问无锡市通洋机械科技有限公司网站
◆全电动小型可移动起重吊车;
◆人机合一的多功能控制手柄、行走无级调速器、大功率转向开关、一体化液压站、大功率行走驱动轮、免维护蓄电池电力持久;
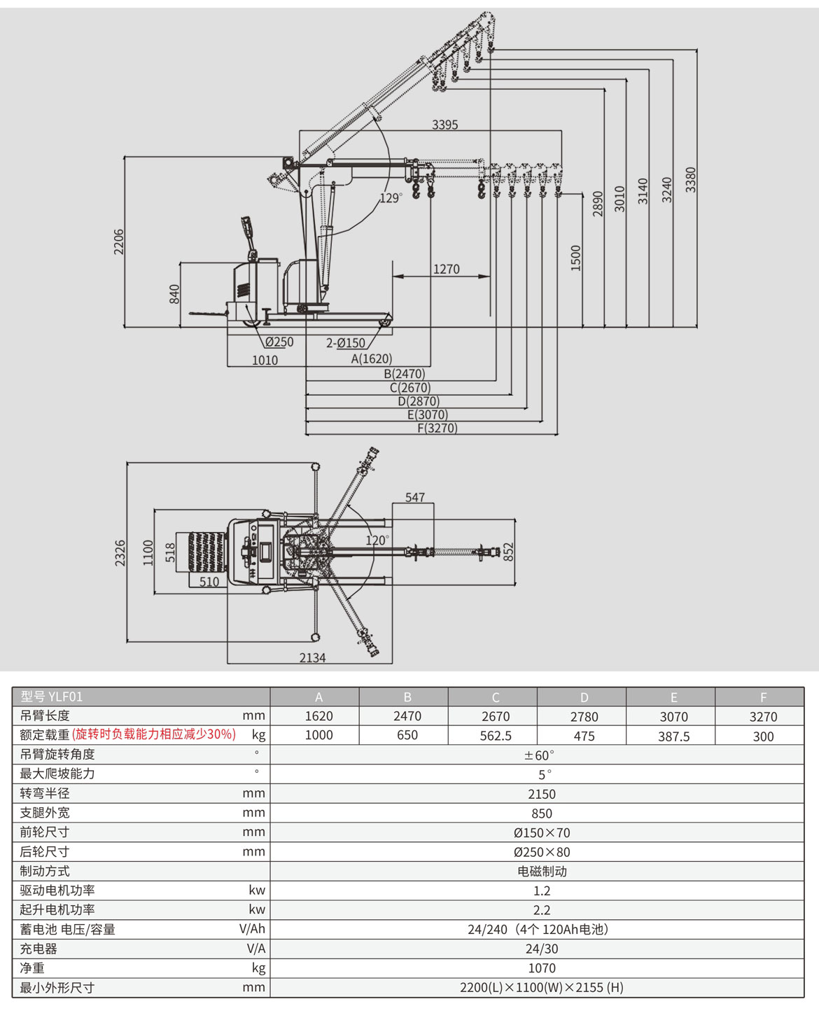
◆吊臂为三节设计、吊装范围广、第二节吊臂可通过油缸轻松调节伸出长度;
◆吊钩可通过遥控控制上下;
◆带载人踏板可轻松方便移动吊机。
注:1)吊装时必须打开两侧支腿、并与地面完全接触;
2)使用过程中必须考虑衰减曲线图,确保吊装安全;
3)吊装作业时吊臂下严禁站人。
下拉见"图文详情"




地址: 江苏省无锡市惠山区堰桥工业园堰盛路38号